Product Name:CH-SAL S sensor
	
Features:CH-SAL adopts high quality aluminum alloy material, with high precision, high stability, low appearance, easy installation, fast and so on.It is suitable for testing machine, batching scale, mixing station, belt scale and packing scale, etc., and can be used for pulling force or pressing.
	
Range:50N(5kg)、100N(10kg)、200N(20kg)、500N(50kg)、1000N(100kg
	
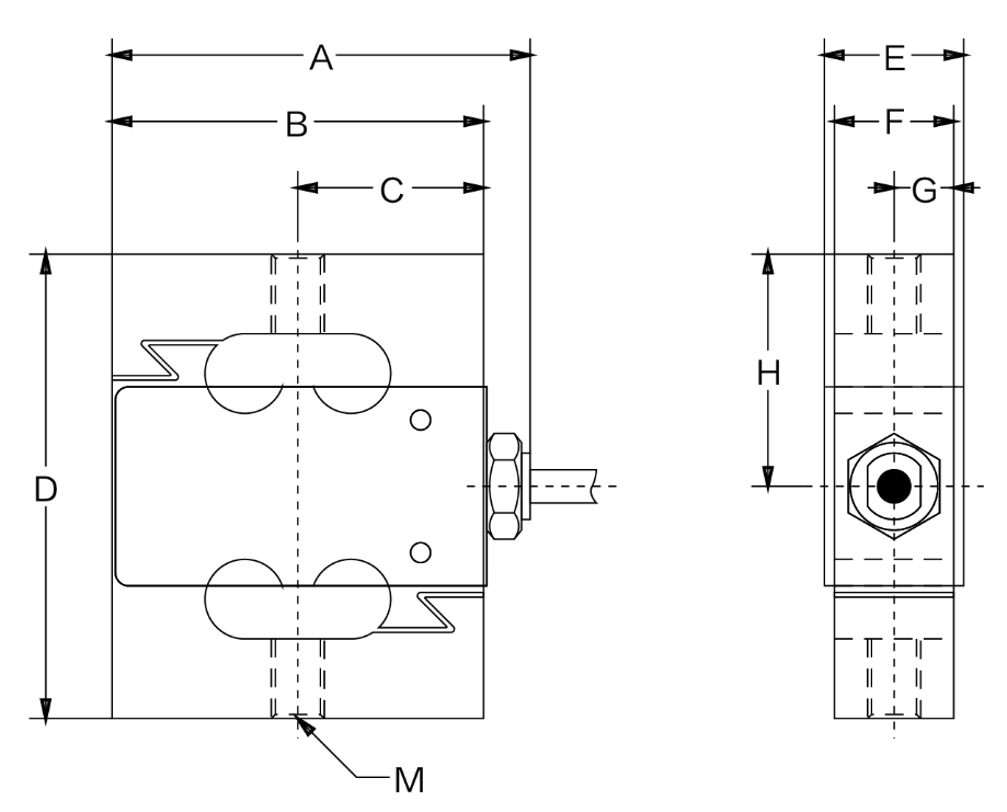
Dimensions:
	
 
	
| 
         Range(N)  | 
      
         Range(kg)  | 
      
         
            | 
      
         A  | 
      
         B  | 
      
         C  | 
      
         D  | 
      
         E  | 
      
         F  | 
      
         G  | 
      
         H  | 
      
         M  | 
    
| 
         50-1000  | 
      
         5-100  | 
      
         mm  | 
      
         64  | 
      
         56  | 
      
         28  | 
      
         70  | 
      
         21  | 
      
         18  | 
      
         9  | 
      
         35  | 
      
         M8x1.25  | 
    
	
Specification:
	
| 
         Specifications  | 
      
         
            | 
      
         
            | 
      
         
            | 
    
| 
         Rated Output  | 
      
         2.0mV/V±1%  | 
      
         Zero Balance  | 
      
         ±1%F.S  | 
    
| 
         Comprehensive Precision  | 
      
         0.03%F.S  | 
      
         Input Impedance  | 
      
         410±5Ω  | 
    
| 
         Linearity/ Hysteresis  | 
      
         ±0.03%F.S  | 
      
         Output Impedance  | 
      
         350±3Ω  | 
    
| 
         Repeatability  | 
      
         ±0.03%F.S  | 
      
         Insulation Impedance  | 
      
         ≥5000MΩ  | 
    
| 
         Creep  | 
      
         ±0.03%F.S/30min  | 
      
         Recommended Excitation Voltage  | 
      
         5~15V/DC  | 
    
| 
         Temp. Effect On Zero  | 
      
         ±0.02%/10℃  | 
      
         Compensated temp. Range  | 
      
         -30℃~+70℃  | 
    
| 
         Temp. Effect On Output  | 
      
         ±0.02%/10℃  | 
      
         Safe Overload  | 
      
         150%F.S  | 
    
| 
         Connection  | 
      
         Excitation:+ Red - Black Signal: + Green - White Shield: Thick Yellow  | 
    ||






 Tel:
	






15621850939
2370849295@qq.com
2370849295
Address:28988 Jingshi Road, Huaiyin District, Jinan